OEM ЗАПЧАСТИ

  info@automotohub.ru   8 (916) 294-84-77
  О Компании   Оплата и Доставка   Помощь   Обратная связь

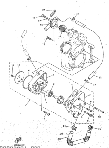
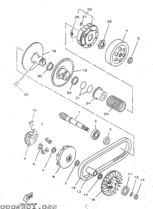
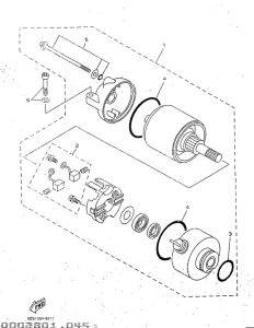
Запчасти для мотоциклов Yamaha YP125 Majesty

Год: 1998  •  Код модели: 5DS5  •  Объем двигателя: 125
Запчасти для мотоциклов Yamaha YP125 Majesty
{modalWnd}