OEM ЗАПЧАСТИ

  info@automotohub.ru   8 (916) 294-84-77
  О Компании   Оплата и Доставка   Помощь   Обратная связь

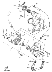
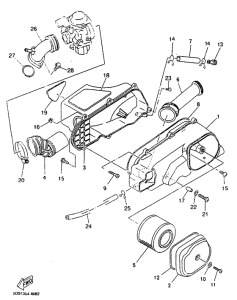
Запчасти для мотоциклов Yamaha YP125R Majesty

Год: 1999  •  Код модели: 5DS3  •  Объем двигателя: 125
Запчасти для мотоциклов Yamaha YP125R Majesty
{modalWnd}