OEM ЗАПЧАСТИ

  info@automotohub.ru   8 (916) 294-84-77
  О Компании   Оплата и Доставка   Помощь   Обратная связь

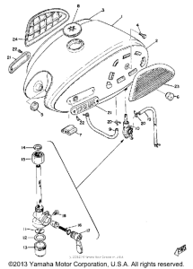
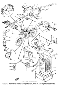
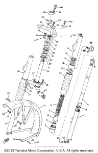
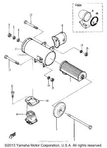
Запчасти для мотоциклов Yamaha YG5S

Год: 1969  •  Объем двигателя: 500
Запчасти для мотоциклов Yamaha YG5S
{modalWnd}