OEM ЗАПЧАСТИ

  info@automotohub.ru   8 (916) 294-84-77
  О Компании   Оплата и Доставка   Помощь   Обратная связь

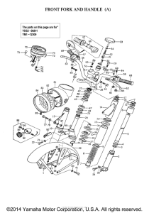
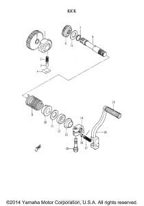
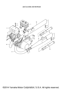
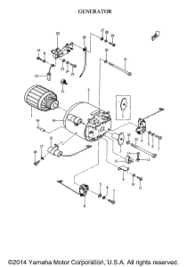
Запчасти для мотоциклов Yamaha YDS3

Год: 1965  •  Объем двигателя: 300
Запчасти для мотоциклов Yamaha YDS3
{modalWnd}