OEM ЗАПЧАСТИ

  info@automotohub.ru   8 (916) 294-84-77
  О Компании   Оплата и Доставка   Помощь   Обратная связь

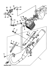
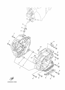
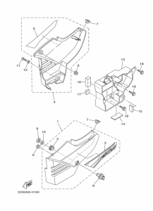
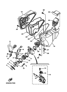
Запчасти для мотоциклов Yamaha YBR125ED

Год: 2009  •  Код модели: 3D99  •  Объем двигателя: 125
Запчасти для мотоциклов Yamaha YBR125ED
{modalWnd}