OEM ЗАПЧАСТИ

  info@automotohub.ru   8 (916) 294-84-77
  О Компании   Оплата и Доставка   Помощь   Обратная связь

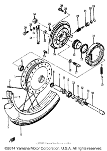
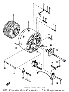
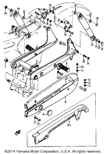
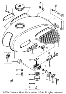
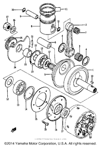
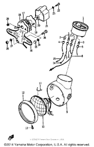
Запчасти для мотоциклов Yamaha YA6B

Год: 1966  •  Объем двигателя: 600
Запчасти для мотоциклов Yamaha YA6B
{modalWnd}