OEM ЗАПЧАСТИ

  info@automotohub.ru   8 (916) 294-84-77
  О Компании   Оплата и Доставка   Помощь   Обратная связь

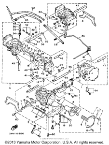
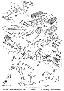
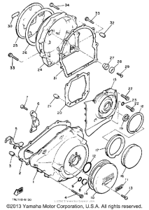
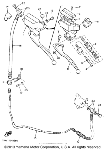
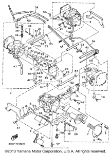
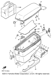
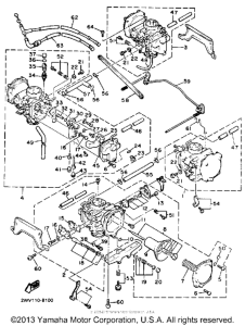
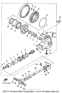
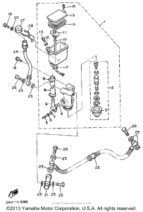
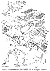
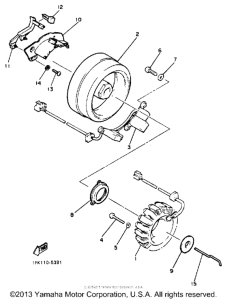
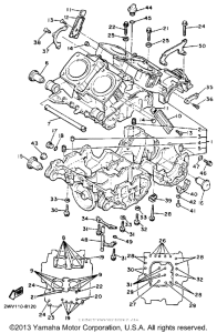
Запчасти для мотоциклов Yamaha XVZ13U Venture

Год: 1988  •  Код модели: 2WV  •  Объем двигателя: 1300
Запчасти для мотоциклов Yamaha XVZ13U Venture
Выбирайте узел вашей техники:


{modalWnd}