OEM ЗАПЧАСТИ

  info@automotohub.ru   8 (916) 294-84-77
  О Компании   Оплата и Доставка   Помощь   Обратная связь

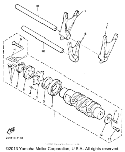
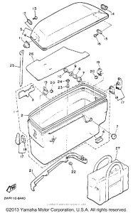
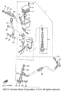
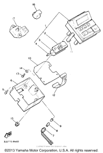
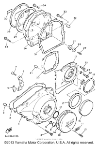
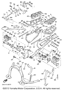
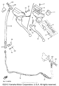
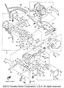
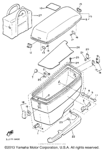
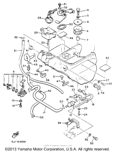
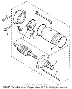
Запчасти для мотоциклов Yamaha XVZ13DE Venture Royale

Год: 1993  •  Объем двигателя: 1300
Запчасти для мотоциклов Yamaha XVZ13DE Venture Royale
Выбирайте узел вашей техники:


{modalWnd}