OEM ЗАПЧАСТИ

  info@automotohub.ru   8 (916) 294-84-77
  О Компании   Оплата и Доставка   Помощь   Обратная связь

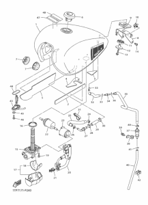
Запчасти для мотоциклов Yamaha XVS950C Bolt

Год: 2015  •  Код модели: 1TP7  •  Объем двигателя: 950
Запчасти для мотоциклов Yamaha XVS950C Bolt
{modalWnd}