OEM ЗАПЧАСТИ

  info@automotohub.ru   8 (916) 294-84-77
  О Компании   Оплата и Доставка   Помощь   Обратная связь

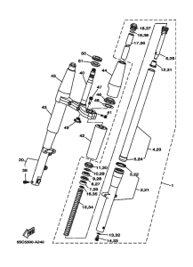
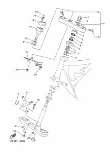
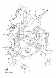
Запчасти для мотоциклов Yamaha XVS650A V-Star Classic

Год: 2016  •  Код модели: 1BFG  •  Объем двигателя: 650
Запчасти для мотоциклов Yamaha XVS650A V-Star Classic
{modalWnd}