OEM ЗАПЧАСТИ

  info@automotohub.ru   8 (916) 294-84-77
  О Компании   Оплата и Доставка   Помощь   Обратная связь

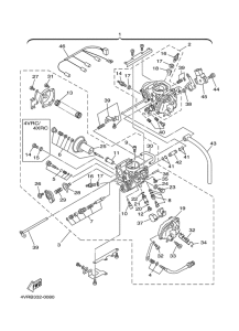
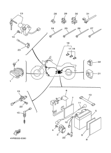
Запчасти для мотоциклов Yamaha XVS650 Drag Star

Год: 2000  •  Код модели: 4VRC  •  Объем двигателя: 650
Запчасти для мотоциклов Yamaha XVS650 Drag Star
{modalWnd}