OEM ЗАПЧАСТИ

  info@automotohub.ru   8 (916) 294-84-77
  О Компании   Оплата и Доставка   Помощь   Обратная связь

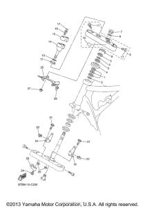
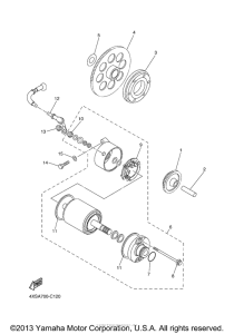
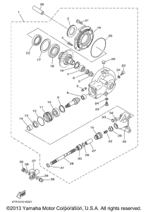
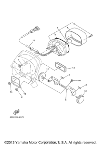
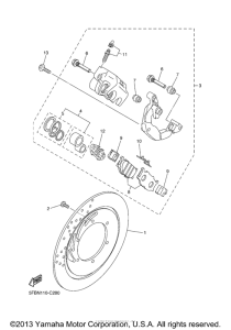
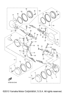
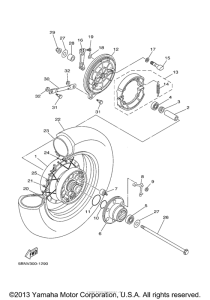
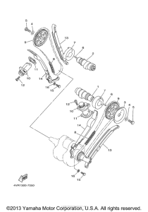
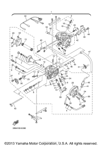
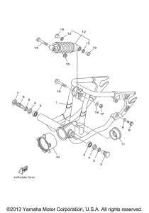
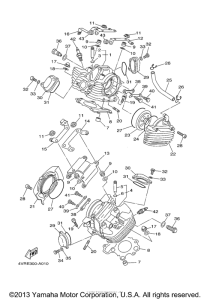
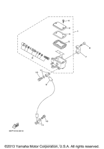
Запчасти для мотоциклов Yamaha XVS650 V-Star Midnight Custom

Год: 2006  •  Код модели: 5FBW  •  Объем двигателя: 650
Запчасти для мотоциклов Yamaha XVS650 V-Star Midnight Custom
{modalWnd}