OEM ЗАПЧАСТИ

  info@automotohub.ru   8 (916) 294-84-77
  О Компании   Оплата и Доставка   Помощь   Обратная связь

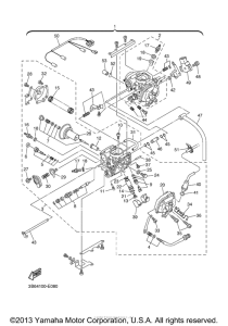
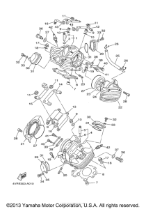
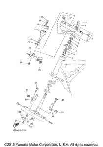
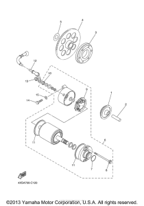
Запчасти для мотоциклов Yamaha XVS650 V-Star Custom

Год: 2009  •  Код модели: 3B6D  •  Объем двигателя: 650
Запчасти для мотоциклов Yamaha XVS650 V-Star Custom
{modalWnd}