OEM ЗАПЧАСТИ

  info@automotohub.ru   8 (916) 294-84-77
  О Компании   Оплата и Доставка   Помощь   Обратная связь

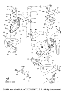
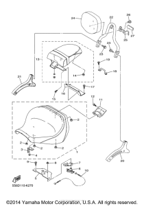
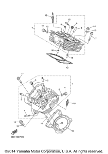
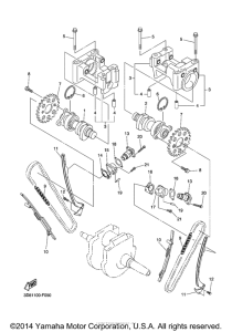
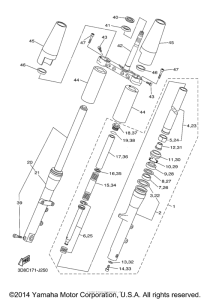
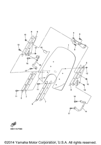
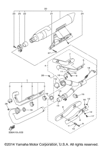
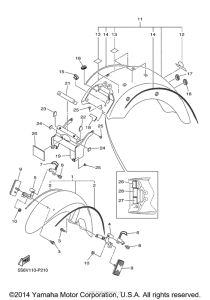
Запчасти для мотоциклов Yamaha XVS1300CT V-Star Tourer

Год: 2015  •  Код модели: 5C6W  •  Объем двигателя: 1300
Запчасти для мотоциклов Yamaha XVS1300CT V-Star Tourer
Выбирайте узел вашей техники:


{modalWnd}