OEM ЗАПЧАСТИ

  info@automotohub.ru   8 (916) 294-84-77
  О Компании   Оплата и Доставка   Помощь   Обратная связь

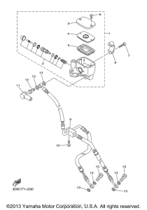
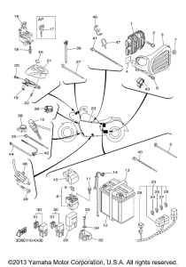
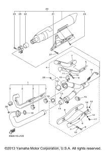
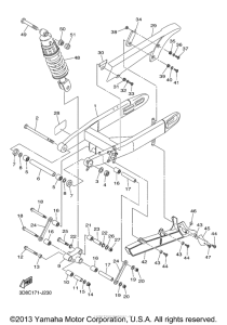
Запчасти для мотоциклов Yamaha XVS1300A V-Star

Год: 2011  •  Код модели: 3D8D  •  Объем двигателя: 1300
Запчасти для мотоциклов Yamaha XVS1300A V-Star
Выбирайте узел вашей техники:


{modalWnd}