OEM ЗАПЧАСТИ

  info@automotohub.ru   8 (916) 294-84-77
  О Компании   Оплата и Доставка   Помощь   Обратная связь

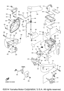
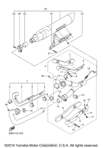
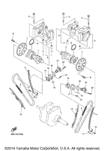
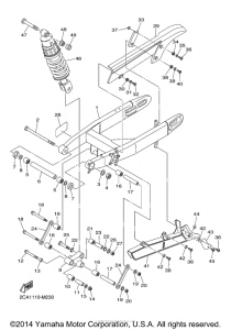
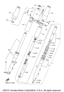
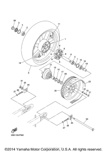
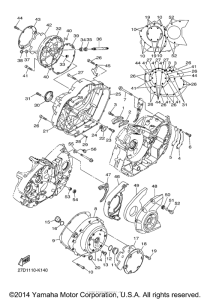
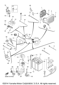
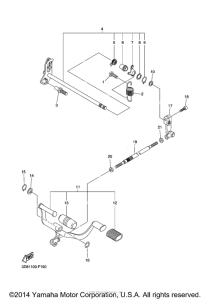
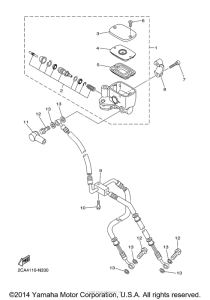
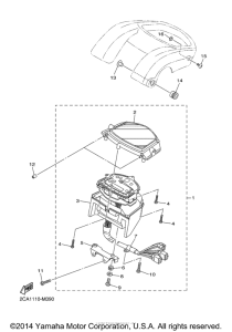
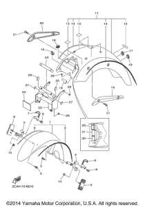
Запчасти для мотоциклов Yamaha XVS1300CTF V-Star Deluxe

Год: 2014  •  Код модели: 2CA4  •  Объем двигателя: 1300
Запчасти для мотоциклов Yamaha XVS1300CTF V-Star Deluxe
Выбирайте узел вашей техники:


{modalWnd}