OEM ЗАПЧАСТИ

  info@automotohub.ru   8 (916) 294-84-77
  О Компании   Оплата и Доставка   Помощь   Обратная связь

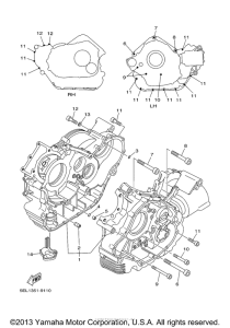
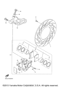
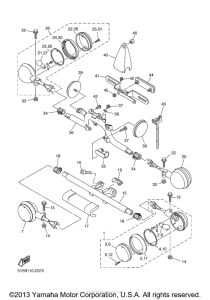
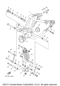
Запчасти для мотоциклов Yamaha XVS11AWT V-Star Classic

Год: 2005  •  Код модели: 5YS8  •  Объем двигателя: 1100
Запчасти для мотоциклов Yamaha XVS11AWT V-Star Classic
{modalWnd}