OEM ЗАПЧАСТИ

  info@automotohub.ru   8 (916) 294-84-77
  О Компании   Оплата и Доставка   Помощь   Обратная связь

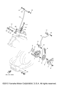
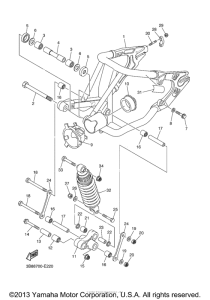
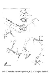
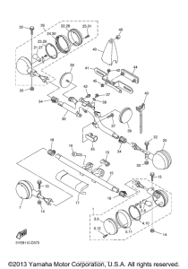
Запчасти для мотоциклов Yamaha XVS11ATYL V-Star Silverado

Год: 2009  •  Объем двигателя: 1100
Запчасти для мотоциклов Yamaha XVS11ATYL V-Star Silverado
{modalWnd}