OEM ЗАПЧАСТИ

  info@automotohub.ru   8 (916) 294-84-77
  О Компании   Оплата и Доставка   Помощь   Обратная связь

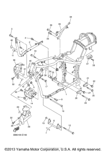
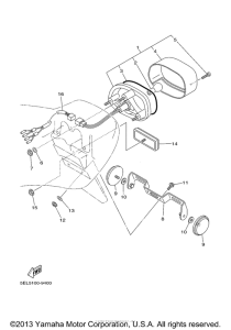
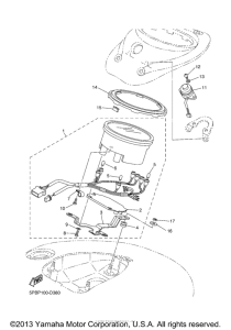
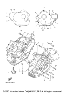
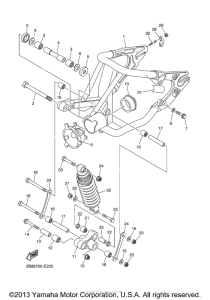
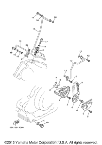
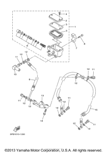
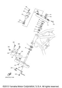
Запчасти для мотоциклов Yamaha XVS11VC-F V-Star Custom (with Flames)

Год: 2006  •  Код модели: 3B85  •  Объем двигателя: 1100
Запчасти для мотоциклов Yamaha XVS11VC-F V-Star Custom (with Flames)
{modalWnd}