OEM ЗАПЧАСТИ

  info@automotohub.ru   8 (916) 294-84-77
  О Компании   Оплата и Доставка   Помощь   Обратная связь

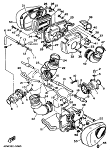
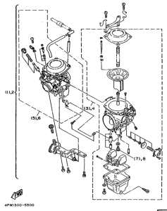
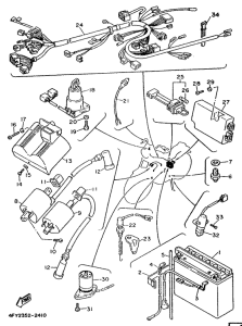
Запчасти для мотоциклов Yamaha XV750 Virago

Год: 1995  •  Код модели: 4GK3  •  Объем двигателя: 750
Запчасти для мотоциклов Yamaha XV750 Virago
{modalWnd}