OEM ЗАПЧАСТИ

  info@automotohub.ru   8 (916) 294-84-77
  О Компании   Оплата и Доставка   Помощь   Обратная связь

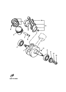
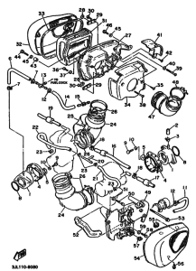
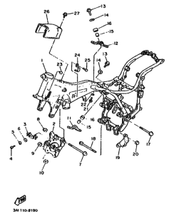
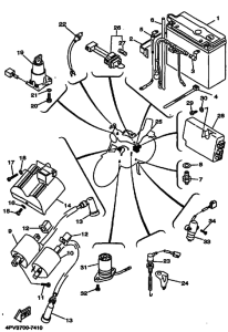
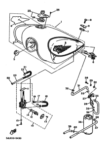
Запчасти для мотоциклов Yamaha XV750 XV750K Virago

Год: 1998  •  Код модели: 3JLX  •  Объем двигателя: 750
Запчасти для мотоциклов Yamaha XV750 XV750K Virago
{modalWnd}