OEM ЗАПЧАСТИ

  info@automotohub.ru   8 (916) 294-84-77
  О Компании   Оплата и Доставка   Помощь   Обратная связь

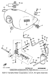
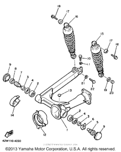
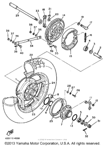
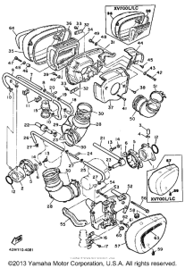
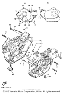
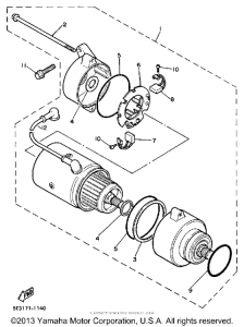
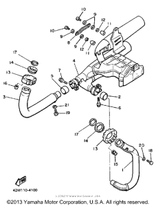
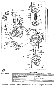
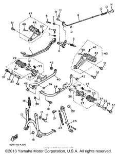
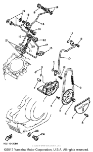
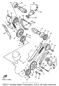
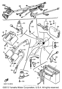
Запчасти для мотоциклов Yamaha XV700L Virago

Год: 1984  •  Объем двигателя: 700
Запчасти для мотоциклов Yamaha XV700L Virago
{modalWnd}