OEM ЗАПЧАСТИ

  info@automotohub.ru   8 (916) 294-84-77
  О Компании   Оплата и Доставка   Помощь   Обратная связь

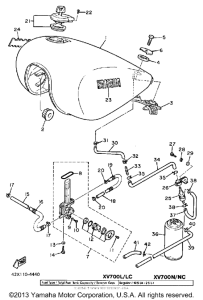
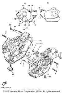
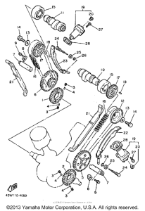
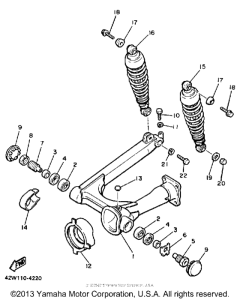
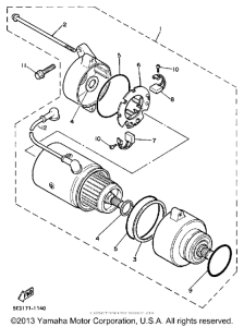
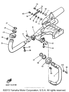
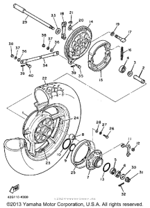
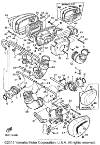
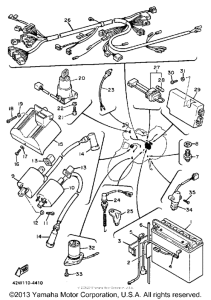
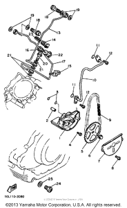
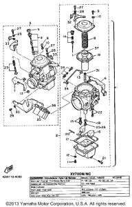
Запчасти для мотоциклов Yamaha XV700LC Virago

Год: 1984  •  Объем двигателя: 700
Запчасти для мотоциклов Yamaha XV700LC Virago
{modalWnd}