OEM ЗАПЧАСТИ

  info@automotohub.ru   8 (916) 294-84-77
  О Компании   Оплата и Доставка   Помощь   Обратная связь

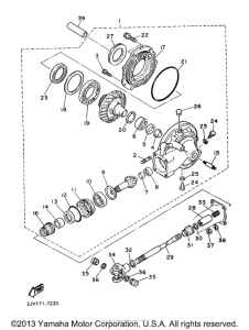
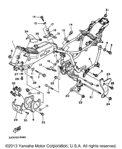
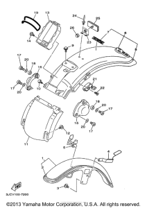
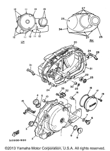
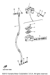
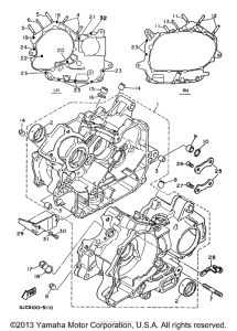
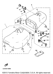
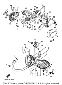
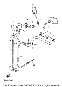
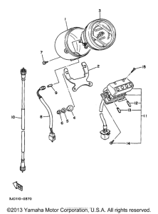
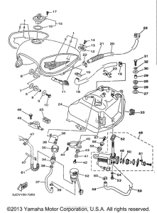
Запчасти для мотоциклов Yamaha XV535JC Virago

Год: 1997  •  Объем двигателя: 535
Запчасти для мотоциклов Yamaha XV535JC Virago
{modalWnd}