OEM ЗАПЧАСТИ

  info@automotohub.ru   8 (916) 294-84-77
  О Компании   Оплата и Доставка   Помощь   Обратная связь

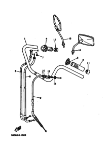
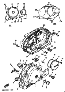
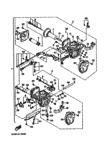
Запчасти для мотоциклов Yamaha XV535 XV535F Virago

Год: 1994  •  Код модели: 3JCC  •  Объем двигателя: 535
Запчасти для мотоциклов Yamaha XV535 XV535F Virago
{modalWnd}