OEM ЗАПЧАСТИ

  info@automotohub.ru   8 (916) 294-84-77
  О Компании   Оплата и Доставка   Помощь   Обратная связь

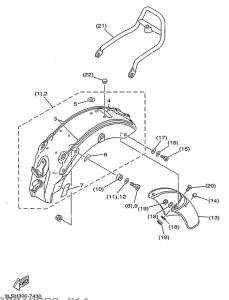
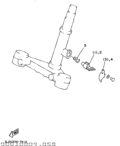
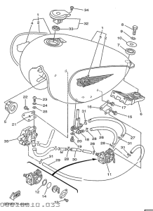
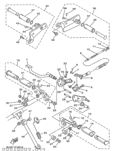
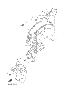
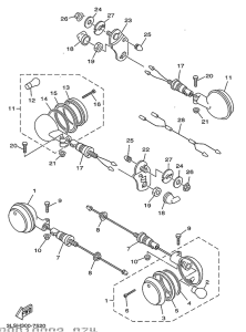
Запчасти для мотоциклов Yamaha XV250S Virago

Год: 1997  •  Код модели: 3LSJ  •  Объем двигателя: 250
Запчасти для мотоциклов Yamaha XV250S Virago
Выбирайте узел вашей техники:


{modalWnd}