OEM ЗАПЧАСТИ

  info@automotohub.ru   8 (916) 294-84-77
  О Компании   Оплата и Доставка   Помощь   Обратная связь

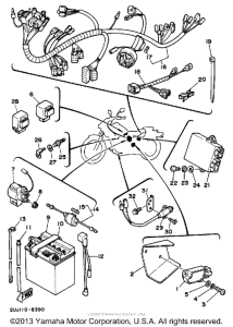
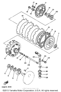
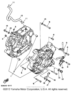
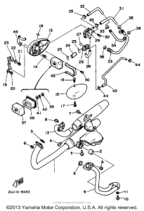
Запчасти для мотоциклов Yamaha XV250 Route 66

Год: 1988  •  Объем двигателя: 250
Запчасти для мотоциклов Yamaha XV250 Route 66
{modalWnd}