OEM ЗАПЧАСТИ

  info@automotohub.ru   8 (916) 294-84-77
  О Компании   Оплата и Доставка   Помощь   Обратная связь

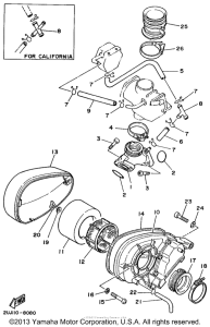
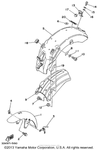
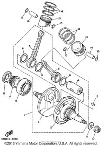
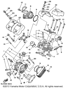
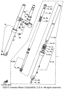
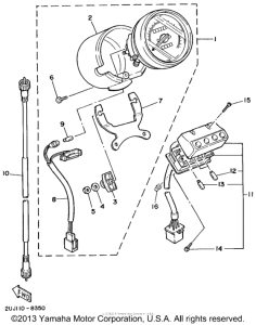
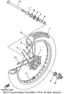
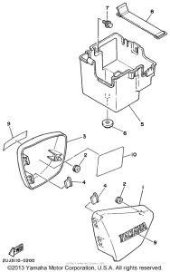
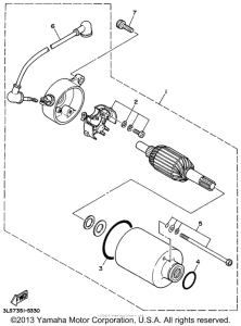
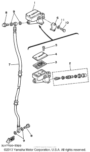
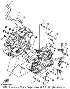
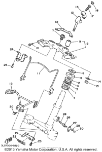
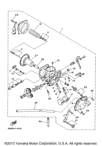
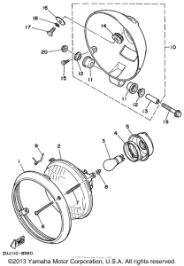
Запчасти для мотоциклов Yamaha XV250 Virago

Год: 1995  •  Объем двигателя: 250
Запчасти для мотоциклов Yamaha XV250 Virago
{modalWnd}