OEM ЗАПЧАСТИ

  info@automotohub.ru   8 (916) 294-84-77
  О Компании   Оплата и Доставка   Помощь   Обратная связь

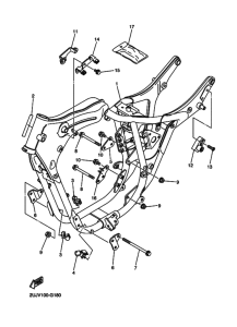
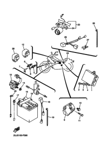
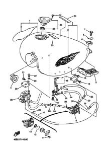
Запчасти для мотоциклов Yamaha XV250 V-Star

Год: 2009  •  Код модели: 46B2  •  Объем двигателя: 250
Запчасти для мотоциклов Yamaha XV250 V-Star
{modalWnd}