OEM ЗАПЧАСТИ

  info@automotohub.ru   8 (916) 294-84-77
  О Компании   Оплата и Доставка   Помощь   Обратная связь

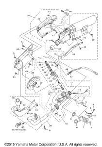
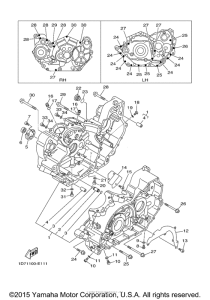
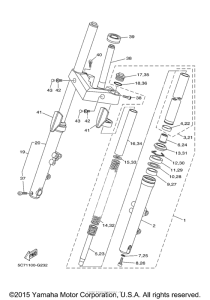
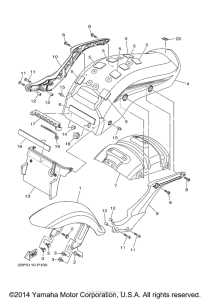
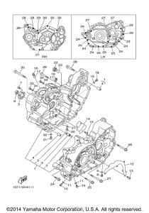
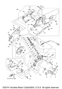
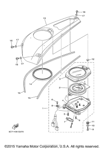
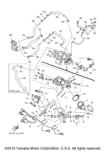
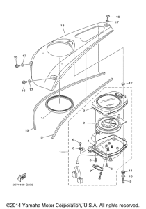
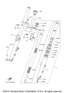
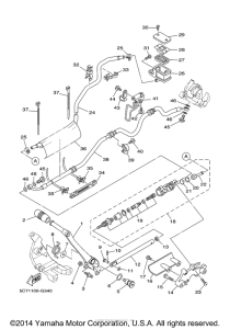
Запчасти для мотоциклов Yamaha XV1900CU Raider S

Год: 2015  •  Объем двигателя: 1900
Запчасти для мотоциклов Yamaha XV1900CU Raider S
Выбирайте узел вашей техники:


{modalWnd}