OEM ЗАПЧАСТИ

  info@automotohub.ru   8 (916) 294-84-77
  О Компании   Оплата и Доставка   Помощь   Обратная связь

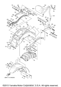
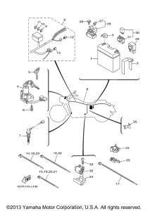
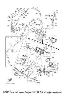
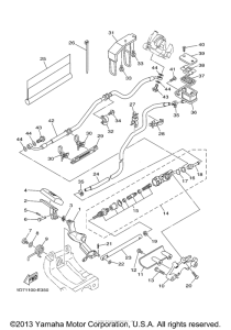
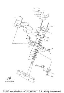
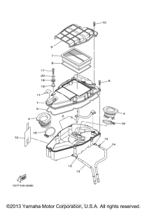
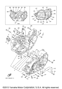
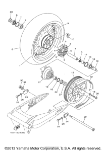
Запчасти для мотоциклов Yamaha XV1900CT Stratoliner S

Год: 2013  •  Код модели: 28H2  •  Объем двигателя: 1900
Запчасти для мотоциклов Yamaha XV1900CT Stratoliner S
{modalWnd}