OEM ЗАПЧАСТИ

  info@automotohub.ru   8 (916) 294-84-77
  О Компании   Оплата и Доставка   Помощь   Обратная связь

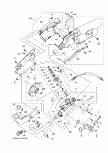
Запчасти для мотоциклов Yamaha XV1900CU Raider

Год: 2011  •  Код модели: 30BC  •  Объем двигателя: 1900
Запчасти для мотоциклов Yamaha XV1900CU Raider
{modalWnd}