OEM ЗАПЧАСТИ

  info@automotohub.ru   8 (916) 294-84-77
  О Компании   Оплата и Доставка   Помощь   Обратная связь

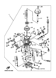
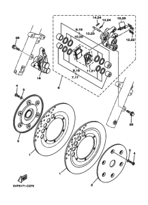
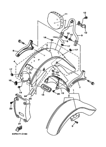
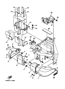
Запчасти для мотоциклов Yamaha XV1700ATL XV17ATLS Road Star Silverado

Год: 2004  •  Код модели: 5VP5  •  Объем двигателя: 1700
Запчасти для мотоциклов Yamaha XV1700ATL XV17ATLS Road Star Silverado
{modalWnd}