OEM ЗАПЧАСТИ

  info@automotohub.ru   8 (916) 294-84-77
  О Компании   Оплата и Доставка   Помощь   Обратная связь

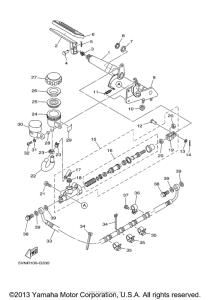
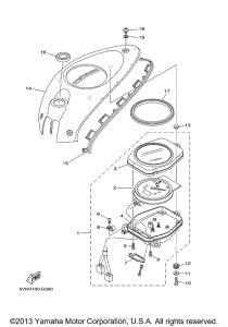
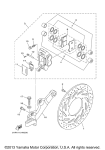
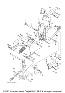
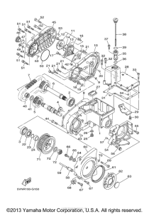
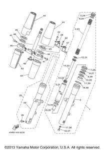
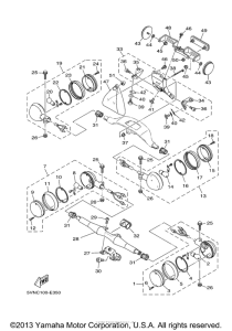
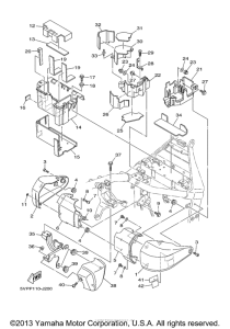
Запчасти для мотоциклов Yamaha XV17ASEP Road Star S

Год: 2014  •  Код модели: 2PU1  •  Объем двигателя: 1700
Запчасти для мотоциклов Yamaha XV17ASEP Road Star S
{modalWnd}