OEM ЗАПЧАСТИ

  info@automotohub.ru   8 (916) 294-84-77
  О Компании   Оплата и Доставка   Помощь   Обратная связь

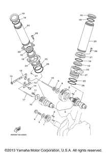
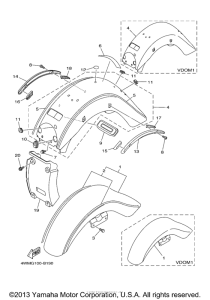
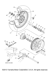
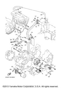
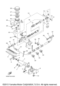
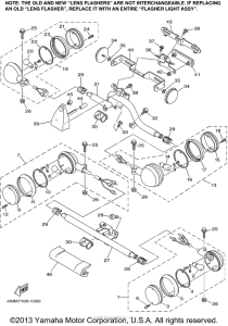
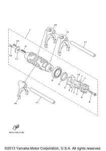
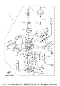
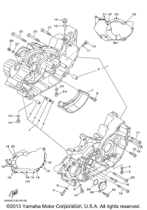
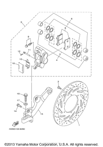
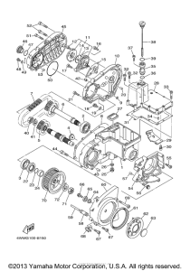
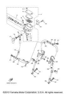
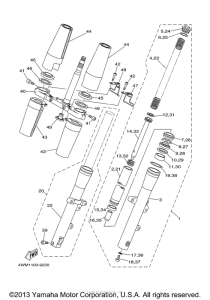
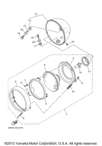
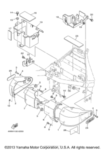
Запчасти для мотоциклов Yamaha XV1600AR Road Star

Год: 2003  •  Код модели: 4WMG  •  Объем двигателя: 1600
Запчасти для мотоциклов Yamaha XV1600AR Road Star
{modalWnd}