OEM ЗАПЧАСТИ

  info@automotohub.ru   8 (916) 294-84-77
  О Компании   Оплата и Доставка   Помощь   Обратная связь

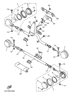
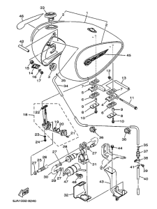
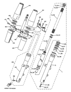
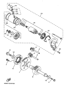
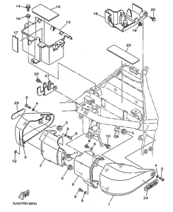
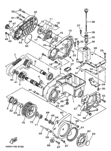
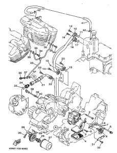
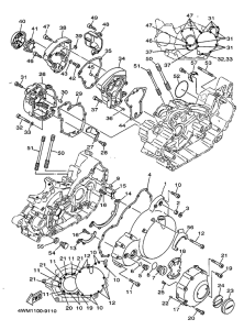
Запчасти для мотоциклов Yamaha XV1600A Wild Star

Год: 1999  •  Код модели: 5JA1  •  Объем двигателя: 1600
Запчасти для мотоциклов Yamaha XV1600A Wild Star
{modalWnd}