OEM ЗАПЧАСТИ

  info@automotohub.ru   8 (916) 294-84-77
  О Компании   Оплата и Доставка   Помощь   Обратная связь

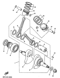
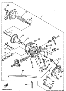
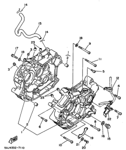
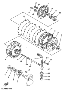
Запчасти для мотоциклов Yamaha XV125 Virago

Год: 1997  •  Код модели: 5AJ3  •  Объем двигателя: 125
Запчасти для мотоциклов Yamaha XV125 Virago
{modalWnd}