OEM ЗАПЧАСТИ

  info@automotohub.ru   8 (916) 294-84-77
  О Компании   Оплата и Доставка   Помощь   Обратная связь

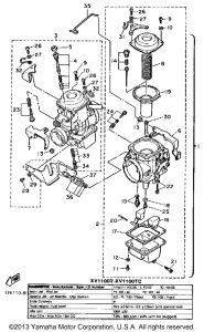
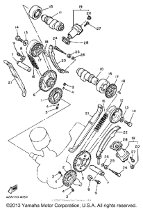
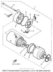
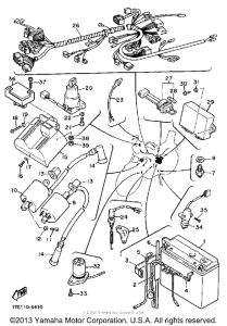
Запчасти для мотоциклов Yamaha XV1100SC Virago

Год: 1986  •  Объем двигателя: 1100
Запчасти для мотоциклов Yamaha XV1100SC Virago
{modalWnd}