OEM ЗАПЧАСТИ

  info@automotohub.ru   8 (916) 294-84-77
  О Компании   Оплата и Доставка   Помощь   Обратная связь

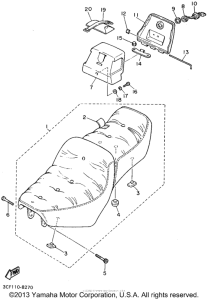
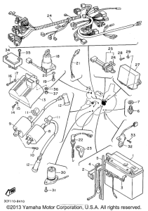
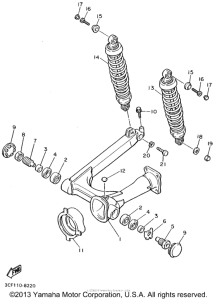
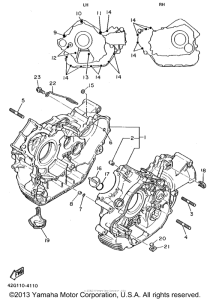
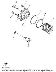
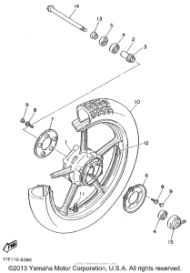
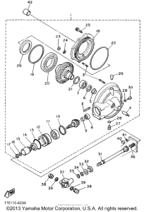
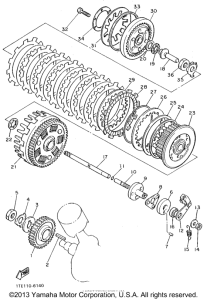
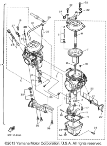
Запчасти для мотоциклов Yamaha XV1100F Virago

Год: 1994  •  Объем двигателя: 1100
Запчасти для мотоциклов Yamaha XV1100F Virago
{modalWnd}