OEM ЗАПЧАСТИ

  info@automotohub.ru   8 (916) 294-84-77
  О Компании   Оплата и Доставка   Помощь   Обратная связь

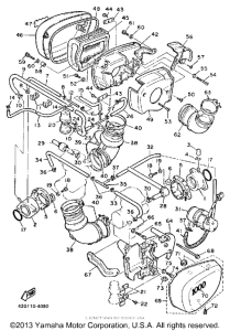
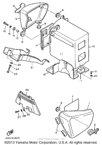
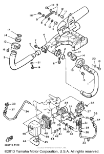
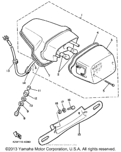
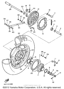
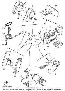
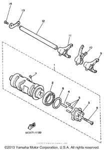
Запчасти для мотоциклов Yamaha XV1000N Virago

Год: 1985  •  Объем двигателя: 1000
Запчасти для мотоциклов Yamaha XV1000N Virago
{modalWnd}