OEM ЗАПЧАСТИ

  info@automotohub.ru   8 (916) 294-84-77
  О Компании   Оплата и Доставка   Помощь   Обратная связь

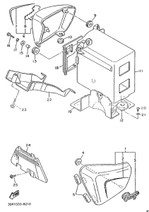
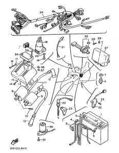
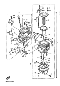
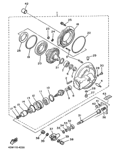
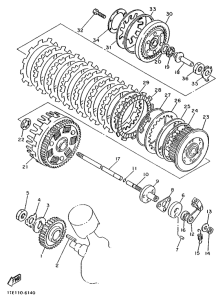
Запчасти для мотоциклов Yamaha XV1000SE Virago

Год: 1988  •  Код модели: 3DR1  •  Объем двигателя: 1000
Запчасти для мотоциклов Yamaha XV1000SE Virago
{modalWnd}