OEM ЗАПЧАСТИ

  info@automotohub.ru   8 (916) 294-84-77
  О Компании   Оплата и Доставка   Помощь   Обратная связь

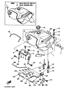
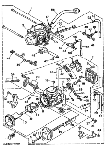
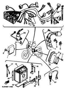
Запчасти для мотоциклов Yamaha XTZ750 Super Tenere

Год: 1991  •  Код модели: 3SC3  •  Объем двигателя: 750
Запчасти для мотоциклов Yamaha XTZ750 Super Tenere
{modalWnd}