OEM ЗАПЧАСТИ

  info@automotohub.ru   8 (916) 294-84-77
  О Компании   Оплата и Доставка   Помощь   Обратная связь

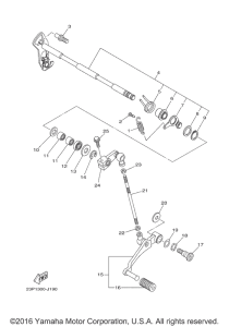
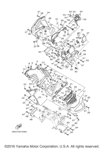
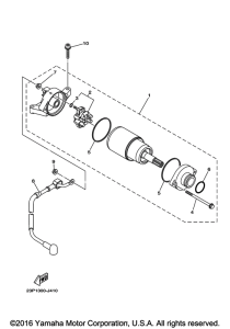
Запчасти для мотоциклов Yamaha XT1200ZE Super Tenere ES

Год: 2017  •  Код модели: 2KBU  •  Объем двигателя: 1200
Запчасти для мотоциклов Yamaha XT1200ZE Super Tenere ES
{modalWnd}