OEM ЗАПЧАСТИ

  info@automotohub.ru   8 (916) 294-84-77
  О Компании   Оплата и Доставка   Помощь   Обратная связь

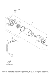
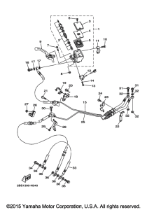
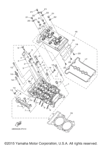
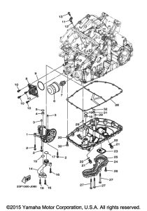
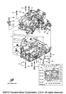
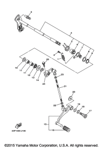
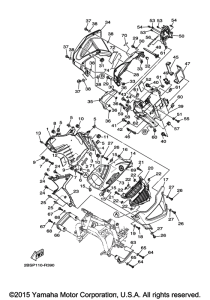
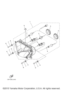
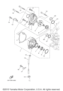
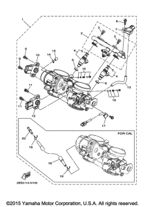
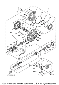
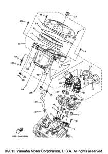
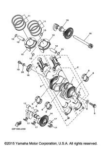
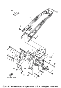
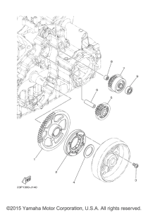
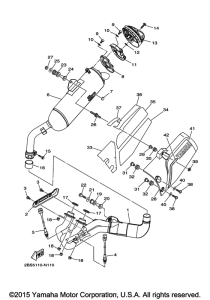
Запчасти для мотоциклов Yamaha XT1200Z Super Tenere

Год: 2016  •  Код модели: 2BSP  •  Объем двигателя: 1200
Запчасти для мотоциклов Yamaha XT1200Z Super Tenere
{modalWnd}