OEM ЗАПЧАСТИ

  info@automotohub.ru   8 (916) 294-84-77
  О Компании   Оплата и Доставка   Помощь   Обратная связь

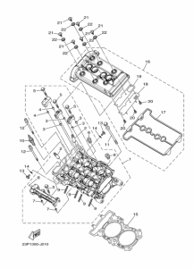
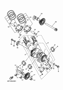
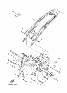
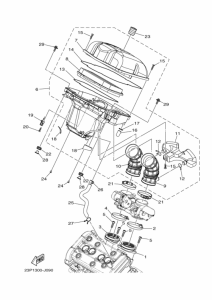
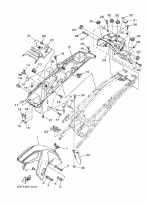
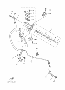
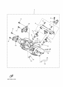
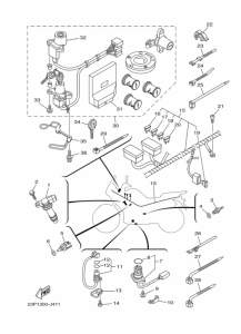
Запчасти для мотоциклов Yamaha XT1200Z Super Tenere

Год: 2010  •  Код модели: 23P1  •  Объем двигателя: 1200
Запчасти для мотоциклов Yamaha XT1200Z Super Tenere
Выбирайте узел вашей техники:


{modalWnd}