OEM ЗАПЧАСТИ

  info@automotohub.ru   8 (916) 294-84-77
  О Компании   Оплата и Доставка   Помощь   Обратная связь

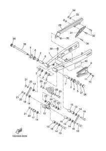
Запчасти для мотоциклов Yamaha XT660X

Год: 2005  •  Код модели: 1D24  •  Объем двигателя: 660
Запчасти для мотоциклов Yamaha  XT660X
{modalWnd}