OEM ЗАПЧАСТИ

  info@automotohub.ru   8 (916) 294-84-77
  О Компании   Оплата и Доставка   Помощь   Обратная связь

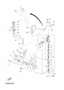
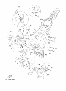
Запчасти для мотоциклов Yamaha XT660Z XT660Z Tenere

Год: 2015  •  Код модели: 2BD7  •  Объем двигателя: 660
Запчасти для мотоциклов Yamaha XT660Z XT660Z Tenere
{modalWnd}