OEM ЗАПЧАСТИ

  info@automotohub.ru   8 (916) 294-84-77
  О Компании   Оплата и Доставка   Помощь   Обратная связь

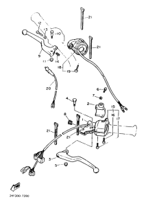
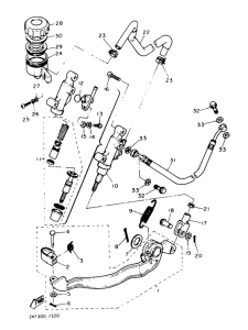
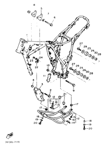
Запчасти для мотоциклов Yamaha XT600 XT600

Год: 1987  •  Код модели: 2KF  •  Объем двигателя: 600
Запчасти для мотоциклов Yamaha XT600 XT600
{modalWnd}