OEM ЗАПЧАСТИ

  info@automotohub.ru   8 (916) 294-84-77
  О Компании   Оплата и Доставка   Помощь   Обратная связь

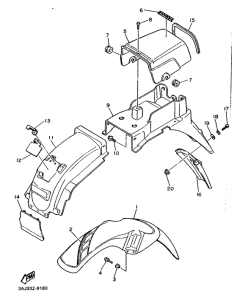
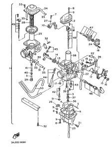
Запчасти для мотоциклов Yamaha XT600Z XT600

Год: 1989  •  Код модели: 3AJ4  •  Объем двигателя: 600
Запчасти для мотоциклов Yamaha XT600Z XT600
{modalWnd}