OEM ЗАПЧАСТИ

  info@automotohub.ru   8 (916) 294-84-77
  О Компании   Оплата и Доставка   Помощь   Обратная связь

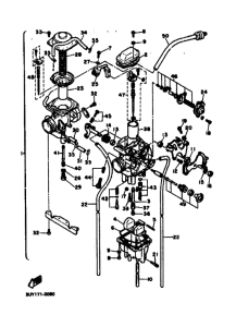
Запчасти для мотоциклов Yamaha XT600E XT600A XT600

Год: 1990  •  Код модели: 3UY3  •  Объем двигателя: 600
Запчасти для мотоциклов Yamaha XT600E XT600A XT600
{modalWnd}